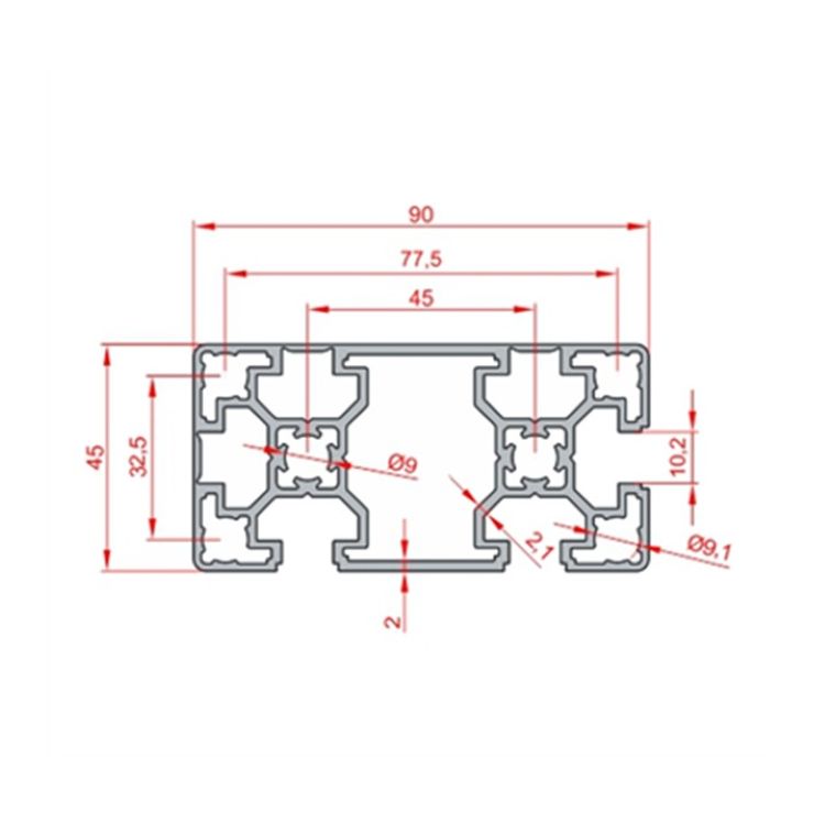
It provides hygiene and an aesthetic appearance due to the closed outer surface channels.
Filling machines, pharmaceutical production lines, packaging facilities are some of the areas of use.
Closed channels can be opened by tearing for the desired connections and accessories.

